Измерение мощности с помощью ваттметра
Потребляемая мощность трехфазного тока измеряется с помощью ваттметров. Это может быть специальный ваттметр для 3-фазной сети или однофазный счетчик с определенной схемой ваттметра. Современные измерительные приборы часто являются цифровыми. Такие конструкции характеризуются высокой точностью измерений, с большими возможностями оперирования входными и выходными данными.

Варианты измерений:
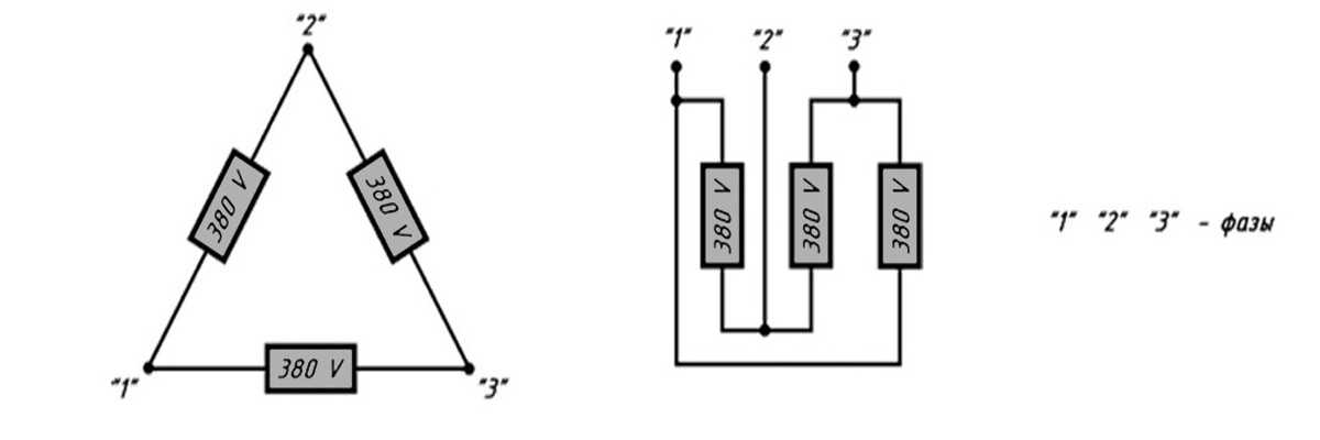
- Соединение звездой с нейтральным проводником и симметричной нагрузкой – счетчик подключается к одной из линий, показания умножаются на три.
- Несбалансированное потребление тока при соединении звездой – три ваттметра в каждой фазной цепи. Показания ваттметров суммируются;
- Свободная нагрузка и соединение треугольником – два ваттметра, соединенные в цепи любых двух нагрузок. Показания ваттметра также суммируются.

На практике цель всегда состоит в том, чтобы сделать нагрузку симметричной. Это, во-первых, повышает производительность сети, а во-вторых, упрощает учет электроэнергии.
Поэтому общая мощность трехфазной сети для данного типа подключения будет равна:
Специфика и особенности трехфазных сетей
Трехфазные электрические сети наиболее эффективно передают ток через промежуточные звенья, вплоть до потребителя. В процессе доставки потери энергии минимальны.
Наличие трехфазной сети в квартире или частном доме очень легко определить. Для этого нужно просто заглянуть в щиток и посчитать количество проводов. Если в наличии 2 или 3 проводника, значит сеть однофазная. В ней два провода являются фазой и нулем. При наличии заземления может быть третий провод. В трехфазных сетях проводов больше на два из-за двух дополнительных фаз. При отсутствии заземления – их всего четыре, а при наличии заземляющего контура – пять.
Эту же задачу можно решить и с помощью вводного автоматического выключателя. К нему также подводится определенное количество проводов, подключаемых в соответствующие клеммы.
В процессе эксплуатации трехфазной сети велика вероятность неравномерного распределения нагрузки по отдельным фазам. Если к одной из них будет подключено только мощное оборудование, а к другим – обычные бытовые приборы, в этом случае может возникнуть ситуация, называемая перекосом фаз. В результате асимметрии тока и напряжения, отдельные потребители могут выйти из строя. Во избежание негативных последствий, нагрузка должна быть равномерно спланирована еще на стадии проектирования и выполнен расчет мощности трехфазной сети.

Трехфазная сеть, по сравнению с однофазной, отличается большим количеством кабельно-проводниковой продукции, автоматов и других устройств. К ней подключается специфическое трёхфазное оборудование Суммарная мощность будет выше ровно в три раза. Значение мощности рассчитывается по току и напряжению с использованием формул.
Расчет электрической нагрузки
Первый шаг – это предварительный расчет потребления электроэнергии. Для этого необходимо сложить мощность всех приборов в доме. К ним относятся как мощные приборы, так и обычные бытовые приборы и освещение. Для некоторых домовладельцев этот список можно расширить, включив в него подогрев полов.
Всю необходимую информацию можно найти в техническом паспорте, который прилагается к каждому прибору. Некоторые приборы имеют соответствующую маркировку. Самые мощные блоки идут первыми, за ними в порядке убывания мощности следует остальное оборудование.

Для расчета возьмем стиральную машину мощностью 2600 Вт, электрический водонагреватель мощностью 1900 Вт, утюг мощностью 1500 Вт, пылесос мощностью 1000 Вт, микроволновую печь мощностью 800 Вт, компьютер и оргтехнику мощностью 600 Вт, осветительное оборудование мощностью 400 Вт (с энергосберегающими лампочками), холодильник мощностью 300 Вт, телевизор мощностью 100 Вт. Конечный результат составляет 9200 Вт и должен быть переведен в киловатты. Для этого 9200 Вт делим на 1000 и получаем 9,2 кВт – это и есть расчетное потребление электроэнергии.
С такой мощностью может справиться однофазная сеть, но в частных домах устанавливается более мощное оборудование, для которого лучше использовать сеть 380v. Таким образом, гарантируется бесперебойная работа котлов отопления и горячего водоснабжения, насосов, двигателей и другого оборудования.
Robc=Ua∙Ia∙cosϕa+ Ub∙Ib∙cosϕb+ Uc∙Ic∙cosϕc,
Расчет мощности электрической нагрузки
Для того чтобы избежать проблем с электропроводкой во время эксплуатации, прежде всего, необходимо правильно рассчитать и выбрать сечение кабеля, так как от этого будет зависеть и пожарная безопасность здания. Неправильное сечение может стать причиной короткого замыкания и пожара в электропроводке, а следовательно, во всем помещении и здании. Выбор размера зависит от многих параметров, но, пожалуй, самым важным является сила тока.
Формула для расчета силы тока
Если мы можем измерить ток в существующей цепи с помощью амперметра, то как быть, когда мы планируем систему? Мы не можем измерить ток в цепи, которая еще не существует. В этом случае используется метод расчета. При известных параметрах мощности, напряжения сети и типа нагрузки ток может быть рассчитан по формуле:
Формула для однофазной системы I=P/(U×cosφ)
Формула для трехфазной системы I=P/(1,73×U×cosφ)
- P – электрическая мощность нагрузки, Вт;
- U – фактическое напряжение сети, В;
- cosφ – коэффициент мощности.
Мощность определяется на основе суммарной мощности всех приборов, которые планируется эксплуатировать и подключить к данной сети, обычно в соответствии с номиналами соответствующих приборов или приблизительными значениями для аналогичных приборов. Мощность рассчитывается на этапе проектирования электроустановки в жилище.
Коэффициент мощности зависит от типа нагрузки, например, для обогревателей и ламп он близок к 1, но любая активная нагрузка имеет реактивную составляющую, поэтому принимается коэффициент мощности 0,95. Это всегда следует учитывать для различных типов проводки.
Для приборов и оборудования большой мощности (электродвигатели, сварочные аппараты и т.д.) доля реактивной нагрузки выше, поэтому для таких приборов принимается коэффициент мощности 0,8.
Напряжение сети составляет 220 В для однофазного тока и 380 В для трехфазного тока, но для большей точности, если это возможно, рекомендуется использовать фактические значения напряжения, измеренные оборудованием.
Форма для расчета текущей мощности
Для расчета тока в цепях питания нагрузки, имеющих высокую реактивную кажущуюся мощность, как это часто бывает в промышленных источниках питания:
Формула для расчета мощности трехфазной сети
Суббота, вечер. Затеял стирку, запустил стиральную машинку. Попутно решил пропылесосить, заодно включил электрочайник, чтобы после испить чаю. И свет погас, оставив квартиру в кромешной тьме. Знакомая картина? Дабы такового не вышло, необходимо знать, как высчитать нагрузку на сеть, зная мощность электрического тока.

Особенности трехфазной системы
Для оборудования электричеством жилых домов и квартир применяют два вида схем:
- однофазовая;
- трехфазная.
Электросеть от электрических станций выходит с 3 фазами, попадает к домам в таком же виде, дальше разветвляется на отдельные фазы.

Этот метод передачи электроэнергии считается экономным, так как уменьшает утраты при транспортировке.
Как узнать свою схему
Выяснить количество фаз у себя в доме либо квартире просто, для этого необходимо открыть распределительный щиток и посчитать провода, по которым ток поступает в квартиру.

При однофазовой сети количество проводов будет 2: фаза, ноль.

Время от времени встречается 3 провод-заземление. В трехфазной системе проводов 4: 3 фазы, ноль. Провод заземления также может быть добавлен.


Любая фаза соединяется с примыкающими. Сила тока от источника фазная, между собой-линейная.

Схема “Звезда”
Фазы соединяются в одной точке. В этой точке суммарное напряжение будет равно 0. Сила тока только фазная, а напряжение может варьироваться от линейного до фазного. Что это дает юзеру? Линейное напряжение в квартире 380 В, а фазовое-220 В.

Большая часть устройств работают при напряжении 220 В, но некоторые приборы нуждаются в большем напряжении: старенькые электрической плиты, массивные обогреватели и котлы, электроинструмент промышленного предназначения.
Благодаря таковой схеме хоть какой устройство будет работать без заморочек.

Характеристики трехфазной цепи
Трехфазная сеть имеет ряд преимуществ:
- уменьшает утраты при транспортировке электричества на далекие расстояния;
- кабели и оборудование имеют наименьший расход чем у монофазной сети;
- энергосистема сбалансирована;
- в системе для работы находятся сходу 2 формы напряжения: линейное 380 В и фазное 220 В.

Расчет
Вычисление мощности трехфазной системы дело затруднительное, так как в сети ток не неизменный, а переменный.

При неизменном токе мощность рассчитывается методом умножения напряжения и силы тока. При переменном токе все величины нестабильны из-за наличия нескольких фаз. Также имеет значение метод соединения. При однофазовой системе мощность рассчитывается также методом умножения напряжения и силы тока, но с учетом коэффициента мощности-cos, который охарактеризовывает сдвиг фаз при реактивной нагрузке между напряжением и током.
Вычисление происходит по следующей формуле полной расчета мощности по току в трехфазной сети:
Pобщ=Uа∙Iа∙cosа+ Ub∙Ib∙cosb+ Uc∙Ic∙cosc
где U-напряжение, I-сила тока, cos-коэффициент мощности, a, b и c-фазы.
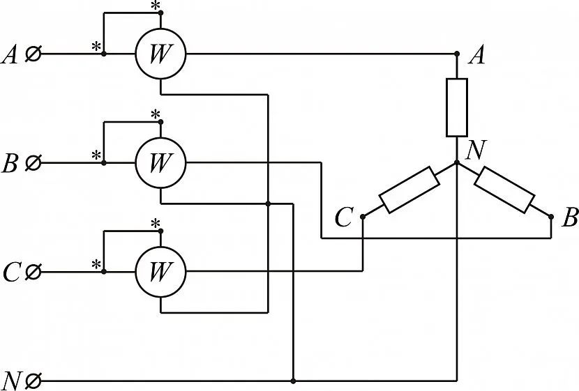
Измерение мощности в трехфазных цепях проводят прибором-ваттметр.

При симметричной нагрузке определяют только одну фазу и итог измерения множат на 3. При замере сходу 3 фаз будет нужно 3 устройства. При отсутствии фазы “ноль” измерение проводится 2 устройствами и расчет мощности рассчитывается по 1 закону Кирхгофа:
Ia+Ib+Ic=0
Сумма показаний 2-ух ваттметров даст показатель мощности трехфазной цепи.

Узнаем потребляемую мощность электричества
Как рассчитать мощность и зачем это нужно?
Познание предельной потребляемой мощности дозволит организовать верно электроснабжение квартиры либо домовладения.

Дабы ее вычислить, нужно подсчитать мощность употребления у однофазовых устройств и изучить устройства-трехфазники. Характеристики указываются в технических паспортах изделий либо в техническом справочнике. Зная эти характеристики и используя формулу вычисления мощности, определяется сила тока в трехфазной системе, которая дает нагрузку на проводку.

При помощи приобретенной инфы подбираются предохранители и провода, которые будут применяться при прокладке внутренней электросети.
Рассчитываем мощность трехфазной сети
Для удобства и скорых вычислений есть онлайн сервисы с калькуляторами, в каких можно стремительно посчитать мощность сети, введя известные юзеру характеристики.
Разводка однофазного щитка
Например, к щиту подключаются — плита (варочная панель) 7,2 кВт; духовой шкаф 4,3 кВт; кухня 5,5 кВт; комната 3,5 кВт; ванная 3,5 кВт; двигатель 3-фазный 1,5 кВт; розетка 3-фазная.
Рассмотрим такую ситуацию: у вас была однофазная сеть и теперь дали разрешение на проведение трехфазной. В этом случае нужно все потребители распределить по фазам.
Самый мощный прибор это варочная панель (плита) 7,2 кВт, которую нужно посадить на первую фазу. На вторую подключить духовой шкаф и комнату. В итоге получается 7,8 кВт. А на третью фазу подключить кухню и ванную комнату. Общая мощность получится 9 кВт. Прибавим еще мощность двигателя, разделив ее на каждую фазу одинаково. В итоге получилось: на первой фазе 7,8 кВт; на второй фазе 9,4 кВт; на третьей — 9,6 кВт. Приблизительно распределили нагрузку по фазам по возможности равномерно. Посмотрим, какой в результате получился щиток.
- Итак, трехфазный щиток состоит из входного автомата и трехфазного счетчика. Далее, на первую фазу подключен автомат 40 Ампер, через который питается плита мощностью 7,2 кВт. Если просуммировать с двигателем, будет 7,8 кВт.
- Ко второй фазе через автомат 25 Ампер подключен духовой шкаф и микроволновая печь. Через второй автомат 16 Ампер подсоединена комната проектной мощностью 3,5 кВт. Общая мощность получилась 8,4 кВт.
- К третьей фазе подключен ДИФ автомат и обычный автомат. Через обычный автомат на 25 Ампер подключена кухня проектной мощностью 5,5 кВт. Через ДИФ автомат подключена ванная комната проектной мощностью 3,5 кВт. Общая мощность на третью фазу получается 9,6 кВт.
Распределение полной мощности двигателя на три фазы по 0,6 кВт:
- первая фаза: 7,2+0,6=7,8 кВт;
- вторая фаза: 4,3+3,5+0,6=8,4 кВт;
- третья фаза: 5,5+3,5+0,6=9,6 кВт.
По всем трем фазам максимальная мощность составляет 9,6 кВт. Если проектная мощность 8,8 кВт и входной автомат на 40 Ампер, а у нас проектная мощность на одной из трех фаз 9,6 кВт, то такой автомат не выдержит нагрузку. Если третью фазу загрузить на полную мощность, то этот автомат отключится. Поэтому, входной автомат нужно ставить на 50 Ампер.
Из этого примера видно, что при небольшом количестве потребителей можно полноценно загрузить трехфазную цепь. Иногда возникает необходимость подключить кондиционеры, электрический теплый пол и другие потребители высокой мощности.
Прежде чем покупать электрическое оборудование, надо рассчитать потребляемую мощность. Потянет ли входной автомат и разрешенный лимит по току на электроснабжение дома?
После подсчета всех нагрузок по фазам можно определить, какой мощности нужен входной автомат. Узнать в энергосбыте, какой резерв по току вам дадут. Возможно, разрешение дадут только на 25 Ампер. Придется покупать приборы из расчета на эти 25 Ампер. На фазу дается только 5,5 кВт.
В этом случае, что делать с электроплитой на 7,2 кВт? Современные электроплиты и варочные панели имеют подключение к двухфазной цепи, а иногда и к трехфазной. Кроме земляного и нулевого вывода имеется L1 и L2 (иногда L1, L2, L3). В первом случае для подключения двухфазной цепи, а во втором – подключение трехфазной цепи. Такие мощные нагрузки предусмотрены специально, чтобы можно было их распределить.
Когда делаете проект и запрашиваете проектную мощность, пытайтесь получить разрешение на мощность с запасом.
Пишите комментарии, дополнения к статье, может я что-то пропустил. Загляните накарту сайта, буду рад если вы найдете на моем сайте еще что-нибудь полезное.
Расчет нагрузки по фазам
Допустим, у вас имеется трехфазный двигатель мощностью 1500 Вт. Соответственно, на каждую фазу приходится по 500 Вт активной мощности. Предположим, что cos фи=0,8. Полная мощность равна: 500/0,8. Получается, что 625 Вт нужно распределить на каждую фазу.
Кроме двигателя к фазам, вероятно, подключены и другие потребители. Например, кроме 500 Вт подключается освещение на 200 Вт и конвектор на 300 Вт. Все мощности суммируются по горизонтали. Реактивная мощность остается без изменений (если не используются нагрузки с реактивной составляющей).
По теореме Пифагора можно определить реактивную мощность.
Но на практике это довольно сложные расчеты. Поэтому, это рассчитывается приближенно: 625 Вт + 500 Вт = 1150 Вт. Эта сумма получается больше точных расчетов по формуле, но страшного ничего нет. Расчет произведен с небольшим запасом.
На практике для приблизительных расчетов достаточно сложить все полные мощности и по ним определить мощность автомата для требуемой нагрузки.
Как выяснить свою схему
Молодые специалисты (электрики) должны понимать, какая перед ними схема. Примеры для понимания будут рассмотрены на самом примитивном асинхронном двигателе.

Стоит сразу отметить, что у каждой цепи есть свое начало и конец. Старт всегда обозначается крупной точкой. Двигатель с тремя проводами используют во всех промышленных зданиях. Мощности для него требуется минимум.
Все обмотки распределяют по кругу, смещая на 120 градусов. Далее подключается клеммная коробка в распределительную, где находится 6 клеммников. Каждый из них подключается к концам 3-х обмоток.

Далее заводится система в клеммную коробку и подключается к соответствующим клеммникам. Остается замкнуть цепь. Делают это двумя способами.

Схема “Треугольник”
Чтобы получилась схема-треугольник, нужно подключить конец 1-ой катушки к началу другой. Когда ток пропускается через фазы — становится заметно, что электричество переходит из одной фазы в другую.

А как соединить между собой фазы, ведь будет короткое замыкание? Замыкание не произойдет, т.к. ток проходит через обмотку, а она создает сопротивление.

Это то же самое, если поместить между двумя фазами лампу — она просто зажжется, и замыкания не произойдет!
Схема “Звезда”
Второй способ, как силу тока в трехфазной цепи распределить по катушке — это подсоединить их друг к другу в виде звезды. Для этого нужно концы 3-х обмоток соединить вместе.

Точка соединения всех концов является нейтральной. Для полного подключения потребуется контактор (устройство, способное проводить и отключать токи).
Начало обмоток подключают к потребителю энергии. Линейные провода можно назвать А, В, С.

Точка N называется нейтральной, но если она соединена с землей, то нулевой. Напряжение между линейным проводом и нулевой точкой называется фазным. Обозначается оно Y с индексом А.
Схемы соединения электродвигателя в звезду и треугольник:

Трёхфазное или однофазное подключение
В сети обмотки смещены на 120 градусов. Если представить этот сдвиг в виде 2-х вращающихся векторов — они тоже размещены под таким же градусом наклона.

И линейное напряжение не будет равняться сумме векторов. Другими словами, представьте прямой угол (равный 90 градусам), линии которого по 220 В. Если их соединить, чтобы образовать полноценный треугольник — расстояние для соединения будет равно 380 В, как показано на фото внизу.

Подключение сети было уже разобрано вверху. Про подключение однофазного прибора ничего не было сказано. Но вы уже знаете, что однофазный имеет целых 4 провода подключения, в отличие от устройства с тремя фазами.
- На первую клемму подается питание-фаза.
- Вторая клемма является выходом нагрузки электропотребителя.
- Ноль приходится на третью клемму.
- Выход нулевой подается на четвертую.

Т.е. первый и второй провода проходят через автомат и входят в саму квартиру. А остальные 2 приходятся на нулевое заземление. Примерами однофазных потребителей являются розетки.

Измерение мощности и силы тока
Как уже видно, остается подставить значение коэффициента и найти силу тока. Можно опять обратится к вышеупомянутому Акту. Но лучше всего произвести самостоятельные замеры. Хотя бы при помощи обычного мультиметра. Заодно и проверить – одинаковая ли сила тока на каждой фазе.
Если она будет отличаться, то придется применять первую, более сложную, формулу мощности трехфазного тока. И тогда расчеты будут намного точнее. Но иногда намного проще воспользоваться ваттметром. Этот измерительный прибор часто монтируют в современные устройства для учета электроэнергии. И в этом случае все показания по каждой фазе можно увидеть на специальном дисплее.
А имея обычный ваттметр для однофазной сети, можно:
- Подключить его к любой трехфазной линии, если при подсоединении использовалась звезда с нулем, а нагрузка симметрична. После снятий показаний, их умножают на 3.
- Для несимметричной нагрузки потребуются три ваттметра (на каждую линию), а все результаты суммируются.
- Для треугольника нужны только два ваттметра. Показания также суммируются.
Чаще всего в быту практикуется подсоединение с симметричной нагрузкой. Так и учет вести проще, и параметры сети улучшаются. Поэтому в основном для измерений первый вариант самый актуальный.

Вариант измерения несимметричной нагрузки в трехфазной сетиИсточник konspekta.net
Как рассчитать мощность электрического тока?
Заключение
Расчет мощности трехфазного тока необходим в случае подключения к сети сложных приборов индуктивного типа. К таким причисляются все асинхронные электродвигатели и различные трансформаторы. Например, сварочный аппарат работает по индуктивному принципу.






























